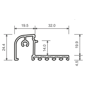
greenteQ odvodni profili AD I – IV i MD II – III izrađeni su od visoko kvalitetnog eloksiranog aluminija E6/C-0 (EV1). Služe za brtvljenje vrata i odbijanje vode od njih. Zajedničkom uporabom greenteQ praga, greenteQ odvodnog profila i greenteQ četkaste brtve postižemo izjemno visoku otpornost na udare kiše do 1,050 Pa. greenteQ odvodni profili AD I - IV i MD II – III pogodni su za uporabu s plastičnim i drvenim profilima.
Pribor uključuje greenteQ par završnih kapica za odvodne profile AD I – IV i MD II - III odgovarajućeg oblika te vijke i odvojivi spojni element za poboljšano pričvršćivanje.
Prednost greenteQ odvodnih profila AD I – IV i MD II - III je podesivo pozicioniranje greenteQ četkaste brtve od 10 mm do 17 mm. Mogu biti instalirane u četiri od pet različitih pozicija i sastoje se od polipropilenskih četkica. Četkice su tretirane silikonom tako da odbijaju vodu. Ugrađena plastična usna kao srednja šipka služi za kontroliranu odvodnju i osigurava najviši stupanj zaštite od prodora zraka i vode.
Tri komponente se savršeno uklapaju jedna u drugu. Zbog mogućnosti odvajana greenteQ parova završnih kapica AD i MD, greenteQ četkasta brtva se može jednostavno zamijeniti.
Tehnički podaci:
Materijal odvodni profili (AD & MD):
aluminij E6/C-0 (EV1)
Materijal završna kapica (AD & MD):
PVC siva
Materijal četkasta brtva:
četkasta brtva (crna) uklj. PVC-usna ili tihi završetak